SBQFD机械密封 替换 AESSEAL BQFD 机械密封
| 型 号: | SBQFD |
| 温 度: | -30℃~+204℃(mm) |
| 技术参数: | |
| 压 力: | ≤2MPa (mm) |
| 线 速 度: | ≤20米/秒 |
| 材 料: | 动环(碳化硅/石墨/碳化钨) 静环(碳化硅/碳化钨) 辅助密封(柔性石墨) 金属波纹管(SUS316L/AM350/Inconel718/钛材/哈氏C/合金20 |


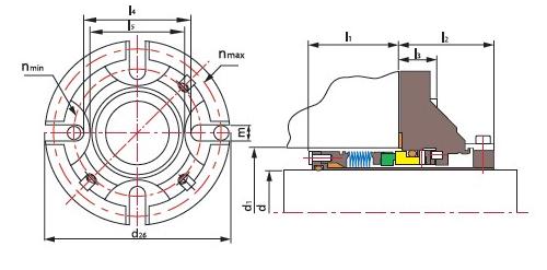
d | d26 | l4 | l5 | l3 | d1 | n | m | l1 | l2 | ||
min | max | min | max | max | |||||||
1.000 | 4.125 | 2.125 | 1.937 | 0.519 | 1.625 | 1.937 | 2.687 | 3.562 | 1/2 | 1.531 | 1.590 |
1.125 | 4.250 | 2.250 | 2.063 | 0.519 | 1.750 | 2.062 | 2.812 | 3.687 | 1/2 | 1.531 | 1.590 |
1.250 | 4.375 | 2.375 | 2.187 | 0.519 | 1.875 | 2.187 | 2.937 | 3.812 | 1/2 | 1.531 | 1.590 |
1.375 | 4.375 | 2.500 | 2.312 | 0.519 | 2.000 | 2.250 | 3.062 | 3.812 | 1/2 | 1.531 | 1.590 |
1.500 | 5.000 | 2.812 | 2.562 | 0.644 | 2.250 | 2.375 | 3.375 | 4.437 | 1/2 | 1.687 | 1.752 |
1.625 | 5.000 | 2.812 | 2.562 | 0.644 | 2.375 | 2.500 | 3.375 | 4.437 | 1/2 | 1.687 | 1.752 |
1.750 | 5.500 | 3.187 | 2.812 | 0.644 | 2.500 | 2.750 | 3.750 | 4.937 | 1/2 | 1.687 | 1.752 |
1.875 | 5.500 | 3.187 | 2.812 | 0.644 | 2.625 | 2.875 | 3.750 | 4.937 | 1/2 | 1.687 | 1.752 |
2.000 | 6.000 | 3.562 | 3.063 | 0.644 | 2.750 | 3.000 | 4.125 | 5.437 | 1/2 | 1.750 | 1.752 |
2.000-AC | 5.250 | 3.450 | 3.035 | 0.644 | 2.750 | 3.000 | 4.000 | 4.750 | 1/2 | 1.750 | 1.752 |
2.125 | 6.000 | 3.562 | 3.063 | 0.644 | 2.875 | 3.125 | 4.125 | 5.437 | 1/2 | 1.750 | 1.752 |
2.250 | 6.500 | 3.812 | 3.312 | 0.644 | 3.000 | 3.250 | 4.500 | 5.812 | 5/8 | 1.750 | 1.752 |
2.375 | 6.500 | 3.812 | 3.312 | 0.644 | 3.125 | 3.375 | 4.500 | 5.812 | 5/8 | 1.750 | 1.752 |
2.500 | 7.000 | 4.312 | 3.812 | 0.769 | 3.375 | 3.625 | 5.000 | 6.312 | 5/8 | 2.031 | 1.877 |
2.625 | 7.000 | 4.312 | 3.812 | 0.769 | 3.500 | 3.750 | 5.000 | 6.312 | 5/8 | 2.031 | 1.877 |
2.750 | 7.000 | 4.312 | 3.812 | 0.769 | 3.625 | 3.875 | 5.000 | 6.312 | 5/8 | 2.031 | 1.877 |
2.875 | 7.500 | 4.937 | 4.250 | 0.769 | 3.750 | 4.125 | 5.625 | 6.812 | 5/8 | 2.031 | 1.877 |
3.000 | 7.500 | 4.937 | 4.250 | 0.769 | 3.875 | 4.250 | 5.625 | 6.812 | 5/8 | 2.150 | 1.877 |
3.125 | 7.500 | 4.937 | 4.250 | 0.769 | 4.000 | 4.375 | 5.625 | 6.812 | 5/8 | 2.150 | 1.877 |
3.250 | 8.000 | 5.312 | 4.625 | 0.769 | 4.125 | 4.500 | 6.125 | 7.187 | 3/4 | 2.150 | 1.877 |
3.375 | 8.000 | 5.312 | 4.625 | 0.769 | 4.250 | 4.625 | 6.125 | 7.187 | 3/4 | 2.150 | 1.877 |
3.500 | 8.000 | 5.312 | 4.625 | 0.769 | 4.375 | 4.750 | 6.125 | 7.187 | 3/4 | 2.150 | 1.877 |
3.625 | 8.500 | 5.937 | 5.000 | 0.769 | 4.500 | 5.000 | 6.750 | 7.687 | 3/4 | 2.150 | 1.877 |
3.750 | 8.500 | 5.937 | 5.000 | 0.769 | 4.625 | 5.125 | 6.750 | 7.687 | 3/4 | 2.150 | 1.877 |
3.875 | 9.000 | 6.625 | 5.375 | 0.769 | 4.875 | 5.500 | 7.437 | 8.187 | 3/4 | 2.150 | 1.877 |
4.000 | 9.000 | 6.625 | 5.375 | 0.769 | 4.875 | 5.500 | 7.437 | 8.187 | 3/4 | 2.150 | 1.877 |
d | d26 | l4 | l5 | l3 | d1 | n | m | l1 | l2 | ||
min | max | min | max | max | |||||||
24 | 104.8 | 54.0 | 49.2 | 13.2 | 41.0 | 49.0 | 67.0 | 90.5 | 12 | 38.9 | 40.5 |
25 | 104.8 | 54.0 | 49.2 | 13.2 | 41.0 | 49.0 | 67.0 | 90.5 | 12 | 38.9 | 40.5 |
28 | 108.0 | 57.2 | 52.4 | 13.2 | 44.0 | 52.3 | 70.3 | 93.6 | 12 | 38.9 | 40.5 |
30 | 111.0 | 60.4 | 55.6 | 13.2 | 46.0 | 55.5 | 73.5 | 96.8 | 12 | 38.9 | 40.5 |
32 | 111.0 | 60.4 | 55.6 | 13.2 | 48.0 | 55.5 | 73.5 | 96.8 | 12 | 38.9 | 40.5 |
33 | 111.0 | 60.4 | 55.6 | 13.2 | 49.0 | 55.5 | 73.5 | 96.8 | 12 | 38.9 | 40.5 |
35 | 111.0 | 63.5 | 58.8 | 13.2 | 51.0 | 57.5 | 76.6 | 96.8 | 12 | 38.9 | 40.5 |
38 | 127.0 | 71.5 | 65.0 | 16.4 | 57.2 | 60.4 | 85.7 | 114.3 | 12 | 42.9 | 44.5 |
40 | 127.0 | 71.5 | 65.0 | 16.4 | 58.0 | 60.4 | 85.7 | 114.3 | 12 | 42.9 | 44.5 |
43 | 139.7 | 81.0 | 71.4 | 16.4 | 61.0 | 69.9 | 95.3 | 127.0 | 12 | 42.9 | 44.5 |
45 | 139.7 | 81.0 | 71.4 | 16.4 | 63.5 | 69.9 | 95.3 | 127.0 | 12 | 42.9 | 44.5 |
48 | 139.7 | 81.0 | 71.4 | 16.4 | 66.7 | 73.0 | 95.3 | 127.0 | 12 | 42.9 | 44.5 |
50 | 152.4 | 90.5 | 77.8 | 16.4 | 68.0 | 76,2 | 104.8 | 139.7 | 12 | 44.5 | 44.5 |
3 | 152.4 | 90.5 | 77.8 | 16.4 | 71.0 | 76.2 | 104.8 | 139.7 | 12 | 44.5 | 44.5 |
55 | 165.1 | 96.8 | 84.1 | 16.4 | 74.0 | 82.5 | 114.3 | 149.2 | 16 | 44.5 | 44.5 |
58 | 165.1 | 96.8 | 84.1 | 16.4 | 76,2 | 82,6 | 114.3 | 149.2 | 16 | 44.5 | 44.5 |
60 | 165.1 | 96.8 | 84.1 | 16.4 | 79.4 | 85.7 | 114.3 | 149.2 | 16 | 44.5 | 44.5 |
63 | 177.8 | 109.5 | 96.8 | 19.6 | 85.8 | 92.1 | 127.0 | 160.3 | 16 | 51.6 | 47.7 |
65 | 177.8 | 109.5 | 96.8 | 19.6 | 88.9 | 95.3 | 127.0 | 160.3 | 16 | 51.6 | 47.7 |
68 | 177.8 | 109.5 | 96.8 | 19.6 | 92.1 | 98.4 | 127.0 | 160.3 | 16 | 51.6 | 47.7 |
70 | 177.8 | 109.5 | 96.8 | 19.6 | 92.1 | 98.4 | 127.0 | 160.3 | 16 | 51.6 | 47.7 |
75 | 190.5 | 125.4 | 108.0 | 19.6 | 98.5 | 108.0 | 142.9 | 173.0 | 16 | 54.6 | 47.7 |
80 | 190.5 | 125.4 | 108.0 | 19.6 | 101.6 | 111.1 | 142.9 | 173.0 | 16 | 54.6 | 47.7 |
85 | 203.2 | 135.0 | 117.5 | 19.6 | 108.0 | 117.5 | 155.6 | 182.5 | 20 | 54.6 | 47.7 |
90 | 215.9 | 150.8 | 127.0 | 19.6 | 114.3 | 127.0 | 171.5 | 195.2 | 20 | 54.6 | 47.7 |
95 | 215.9 | 150.8 | 127.0 | 19.6 | 117.5 | 130.2 | 171.5 | 195.2 | 20 | 54.6 | 47.7 |
100 | 228.6 | 168.3 | 136.5 | 19.6 | 123.9 | 139.7 | 188.9 | 207.9 | 20 | 54.6 | 47.7 |
SLK BQFD机械密封 替换 AESSEAL BQFD 机械密封